- Real-time battery monitoring. DBM100 14900 An intelligent and compact dual voltage meter ideal for monitoring twin battery installations often found in 4WD and caravan applications.
Pin On Diy And Crafts from www.pinterest.com
Battery Management System BMS 12200 The BMS 12200 lets you safely connect any size 12V alternator and start battery to Victron LiFePO4 Smart Batteries.
12 volt battery monitoring system. Ad The storage battery sensor can measure the internal resistance of single battery. It can also measure the voltage and pole temperature of a single battery. The DrifterBM continuously monitors 12 Volt lead acid batteries.
This unit makes an accurate estimate of remaining battery charge and allows the user to determine when a battery should be recharged. DrifterBM is compatible with any deep cycle 12 Volt Lead-Acid battery including Valve-Regulated Lead-Acid VRLA Absorbed Glass Mat AGM and Gel batteries as well as traditional non-sealed batteries. The unit will diplay the battery voltage and the current in and out of the battery and estimate the time to charged during charging or the time to discharge during discharging.
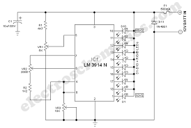
The state of battery is visual and also features an alarm when the battery falls to a preset level. This is the complete circuit diagram of the 12v Battery Efficiency monitoring system. As you can see on the left side the voltage sensor Vcc is connected with the Battery 12v input and the ground of the voltage sensor is connected with ground of battery.
The maximum battery voltage is 20V so dont use this on a motorhome 24V starting battery. It will be fine to monitor motorhome house batteries though as these are usually 12V. Search for BM2 BLE Bluetooth Battery Monitor.
App download link Android. Google Play Store BM2 link. App Store link Apple.
Apple Store BM2 link. Battery monitoring devices are specifically designed to monitor the health and overall functionality of an RV car boat or other device that runs off battery power. WirthCos Battery Doctor 12v Battery Monitor Systems provide 247 battery monitoring so your never at a loss of power.
Battery Management System BMS 12200 The BMS 12200 lets you safely connect any size 12V alternator and start battery to Victron LiFePO4 Smart Batteries. This all-in-one Battery Management System Current Limiter Battery Combiner and Battery Protector is a robust and compact solution specifically designed for 12V systems with 12V alternators such as vehicles. Through the App you are able to run vehicle crank tests and automatically record your trip durationInternally the Century BM12V Battery Monitor has a recoverable fuse for protection against short circuits and reverse connection protection to prevent damage if the connecting leads are installed on the wrong terminals during installationThe BM12V can be used to monitor conventional 12 Voltlead acid batteries.
If youre utilising a 12V system for your camping setup you know how important it is to know how much power you are using. With our battery monitoring tools youll always know how much power your appliances are drawing. The KickAss Digital Watt Meter allows you to measure the charge output from your 12V accessories such as.
Battery Monitoring for 12 Volt systems in 4x4s Motorhomes Caravans Camper Trailers Canopies. Qualified Auto Electrician Enerdrive. Battery System Monitoring.
A range of products to help you manage your battery and associated devices. From simple voltmeters to sophisticated battery monitors and entire system monitoring solutions. Voltmeters Ammeters Accessories.
Battery Monitor BM2 BM3 Bluetooth 40 Wireless Battery Tester 12V Automotive Battery Load TesterAutomotive Charging and Cranking System Monitor Digital Battery Analyzer for Android IOS 44 out of 5 stars 273. AOICRIE Battery Monitor12V Battery Fahrenheit Temperature Monitor 10-100v Battery Meter12v 24v 48v Battery Power Percentage Voltage Fahrenheit Temperature Indicator Gauge 12V 1099 10. These measurements are essential to making analyses of the batteries in any given system.
EquaLink transfers data through the communication bus cable system to the EquaLink WebManager. There are 4 different types of EquaLink modules. 12 Volt 6 Volt 4 Volt and 2 Volt.
The module can be mounted on the top or side of each battery. If youre looking for a 12 volt battery monitor for RV you might want to take a look at the Victron battery monitor. It is with the solid and tough features and functions that make it a great pick among vehicle owners that want a heavy-duty performing monitor for their batteries.
De Paal 35 1351 JG Almere The Netherlands. General sales Find your sales manager 31 036 5359700. Drifter is permanently wired in to your 12V electrical system and continuously monitors the battery voltage and charge current.
It uses this information together with time and temperature and several parameters that are set by the user to model the batterys behaviour and to estimate the actual charge left in the battery. - Real-time battery monitoring. - Stores and displays historical data.
Battery cranking charging trip duration. - Automatic sync alerts sent to mobile free APP on iOS Android - Short circuit and reverse polarity protection. DC Volts Measurement Range.
This is the complete 12V dual battery system 40A Redarc DC DC charger a Zenot extreme battery box and also a massive 135 AMP Lithium battery. 1 Year Warranty Add to cart All 12 Volt. 1224v dual battery volt meter SKU.
DBM100 14900 An intelligent and compact dual voltage meter ideal for monitoring twin battery installations often found in 4WD and caravan applications. Clipper Battery Monitor Instrument. If you have a 12 volt lead acid battery you can easily find out how your battery is doing with accurate measurements.
It will continuously monitor your voltage currents in both the discharge and the charge the number of amp hours on it and how much charge is on the battery. Ad Join Leading Researchers in the Field with Journal of Control Science and Engineering. Submit Your Original Research Paper or Review on Control Systems and Applications.
Ad The storage battery sensor can measure the internal resistance of single battery. It can also measure the voltage and pole temperature of a single battery.