When I ran her out of fuel one night I simply added fuel to the day tank pumped the pump until I heard fuel running back into the tank thru the return line. How do you bleed fuel rail on 73 diesel removeing.
The next time you bleed the engine open the small return line on the top of one of the injectors and use the lever on the lift pump to purge the air out of the injector return line.
Bleeding isuzu diesel fuel system. The next time you bleed the engine open the small return line on the top of one of the injectors and use the lever on the lift pump to purge the air out of the injector return line. There might have been some air hiding in the line. If you have determined that the engine is pulling air into the fuel system.
Take a look around the primary fuel filter. Mad Scientist Garage. How do you bleed fuel rail on 73 diesel removeing.
Crack all the injector lines at the injectors and crank the engine until fuel starts coming out and then tighten all of them back up. Posted on Mar 08 2011. Usually just cracking the injector lines and turning the motor over till fuel starts coming out and then closing them again should do the trickbut first make sure your fuel filter is full thats the only way Ive ever done it if you have no leaks in your system.
When you change a diesel fuel filter run out of fuel or disturb the fuel system air is trapped. When you try to start the engine this air acts as a lock preventing the normal supply of fuel into the cylinder. Here are the steps to take in bleeding air from a diesel fuel system.
Turn off fuel valve. Clean outside of filter housing. Start the engine accelerates the air to be removed.
When to get fuel to the fuel system starts the engine and try to start tripping. At this point tighten the supply lines and keep the elbow above the engine you have fire power before you know it. A diesel engine fuel injection system bleeding.
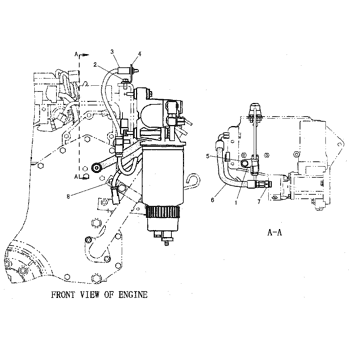
If air bubbles persist or if the engine acts as if it is out of fuel intermittently then there is likely an air leak somewhere on the vacuum side of the system or between the lift pump and the fuel tank. This must be rectified before any amount of bleeding will actually remove the air from the system. The CRS for the ISUZU 4HK1 engine uses the following fuel flow path to prevent air from mixing with the fuel.
The feed pump for the supply pump draws in fuel that is then initially sent to a main filter outside of the supply pump. Air inside the fuel is released from the air bleed valve on the main filter. Next the fuel is re-.
You may have to bleed the fuel system. There may be a very small air leak in the fuel supply line and after a long time idle the fuel seeps bac into the tank leaving an air lock in the pipe. When you go to start this air makes its way into your injection pump needs to be bled out before the engine will start.
Common rails bleed like petrols. Prime the system by letting the electric pump swing. Assisted a Ranger that ran completely dry by just cranking it with jumper cables so it would not run its battery down.
Not 2 minutes and it was fine. Answer 1 of 12. What does it mean to bleed the system on a diesel if it runs out of fuel.
If the diesel engine runs out of fuel air will enter into the fuel lines and fuel injectors because the fuel pump is no longer pumping fuel but air because air is all that remains in the fuel tank. 2008 ISUZU NPR. I changed the fuel filter and water separator.
I lost a little diesel fuel from the two. I tried to prime the system with the pump located top of the water separator but no luck. I read to remove the filter housing and fill with diesel so I tried that and pumped with the bleeder nut lose but.
Open the air bleed screw and there should be a manual pump near the engine fuel distributor. Here are diagrams and instructions below on how to replace the fuel filters below. If you are not able to do it remove the filter fill it up with clean diesel and reinstall.
Start the engine and let it self bleed. 1 Put at least five gallons of good clean on-road diesel fuel back in the fuel tank. 2 Locate your fuel primer pump on the fuel filter housing also locate the fuel rail on the engine you will need to flip the cab forward to access the engine Loosen bleeder bolt on priming pump.
But the fastest way I have found for bleeding them assuming the fuel system doesnt have a fault you are trying to find crack open the small bleeder on the top of the fuel filter and pump the hand pump turn it on the starter if you are lazy till you have fuel coming out of there close that pump another 10 or so strokes until the pump firms up and then crack one or. I think all the Isuzus 35 42 50 55 70 have electric fuel pumps as far as I can remember and will all self bleed all the ones Ive worked on did. As TB said just switch the ignition key on dont try to start the engine and you should hear the electric pump whining leave it whining for 2 or 3 minutes and it should start up.
How do you bleed air from fuel diesel system of Isuzu D-max 30 engine. Air can be bland from the diesel fuel system on a Isuzu D-Max 30 engine by hooking an air compressor to the fuel. Hi I have a boat with an Isuzu 2AB1 engine which I understand is the engine on the Iseki TS2205 and maybe on other tractors.
I need to bleed the system and I cant find the manual lift pump or the bleed screws. My Isuzu diesel has a piston type fuel pump mounted on the side. When I ran her out of fuel one night I simply added fuel to the day tank pumped the pump until I heard fuel running back into the tank thru the return line.
Then I fired her up and she ran happily ever after no bleeding required. All diesels should be rigged that way. Crank it over and a strong pump will have spurts of fuel like a spray and a weak pump will have little to no fuel delivery indicating a need for a replacement or rebuilt pump.
If it is getting good delivery tighten the lines and then try to start after bleeding the remaining air. Let me know the results. We can follow up as needed.